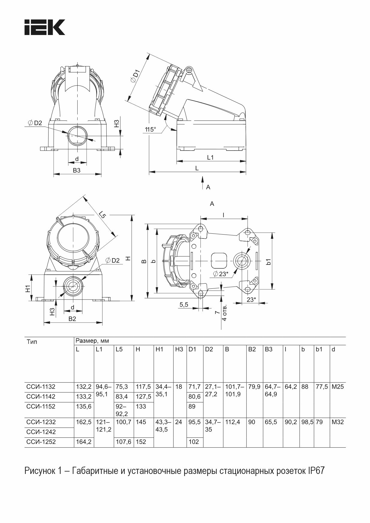
Розетка стационарная ССИ-1252 32А-6ч 380В 3P+PE+N IP67 IEK

Основные характеристики
| IEC ток, А | 32 |
| Напряжение согл EN 60309-2 | 380-415 V (50+60 Hz) red (*) |
| Количество полюсов | 5 |
| Степень защиты - IP | IP67 |
| Материал | Пластик |
Описание
Силовые разъемы со степень защиты IP67 применяются при эксплуатации внутри помещений, где есть риск воздействия влаги и пыли, и на открытом воздухе совместно с мобильным электрооборудованием с кабельной системой питания и стационарным электрооборудованием однофазного и трехфазного исполнения. Предназначены для подключения строительного электрооборудования и электроинструмента, электроснабжения временных сооружений и бытовок, станков и другого промышленного оборудования, для электроснабжения спортивных сооружений и объектов культурно массовых мероприятий, гостиницах турбазах и т.д.
Срок службы:
15 лет
Гарантия:
1 год
Преимущества
- Двухвинтовое крепление проводника.
- Сальник в комплекте сокращает время на поиск комплектующих.
- 2 отверстия для наружного монтажа и 1 отверстие для внутреннего монтажа позволяют осуществлять ввод кабеля с разных сторон.
- Допускается монтаж на открытую и закрытую проводку.
- Байонетное кольцо можно зафиксировать при открытой крышке разъема.
- Эластичные силиконовые уплотнения обеспечивают надежную герметизацию даже при пониженных температурах.
- Сертификация ROHS.

Технические характеристики
| IEC ток, А | 32 |
| Напряжение согл EN 60309-2 | 380-415 V (50+60 Hz) red (*) |
| Количество полюсов | 5 |
| Степень защиты - IP | IP67 |
| Материал | Пластик |
| Температура эксплуатации, °C | -25...40 |
| Число контактов | 3P+N+PE (трехфазн. 5-проводников) |
| Диапазон раб напряжений, В | 200…415 |
| Тип подключения | Клемма винтовая |
| Способ или тип крепления | Наружный монтаж |
| Номин электр прочность изоляции, В | 690 |
| Исполнение для вооруженных сил | Нет |
| Модель или исполнение | Поверхностн. монтажа (открыт. установка) |
| Цветовая кодировка | Красный |
| Фиксирующее устройство | Крышка с байонетным кольцом |
| Наличие блокировки | Без блокировки |
| Ориентация заземл контакта-по циферблату часов, ч | 6 |
| Номин частота, Гц | 50/60 |
| Макс поперечное сечение проводника, мм² | 10,0 |
Документация
Сертификаты
Сертификат ТР ТС (PDF, 1.05 MB)
Отказное письмо 123-ФЗ (PDF, 24.90 MB)
Отказное письмо 043 (PDF, 12.27 MB)
Отказное письмо ФЗ-123 (PDF, 29.15 MB)
Отказное письмо 043 (PDF, 24.55 MB)
Сертификат ТР ТС (PDF, 1.95 MB)
Отказное письмо 043 (PDF, 12.27 MB)
Отказное письмо 123-ФЗ (PDF, 12.57 MB)
Отказное письмо 123-ФЗ (PDF, 12.57 MB)
Паспорта и РЭ
Дополнительные изображения
Модели для проектировщиков
Логистические параметры
| Индивидуальная | Групповая | Транспортная | |
|---|---|---|---|
| Количество | 1 | 10 | 40 |
| Единицы измерения | шт | шт | шт |
| Тип упаковки | ПАКЕТ ПРЯМОУГОЛЬНЫЙ | КОРОБКА/БОКС | ГОФРОКОРОБ |
| Материал упаковки | ПОЛИЭТИЛЕН (PE) | ГОФРОКАРТОН ТРЕХСЛОЙНЫЙ | ГОФРОКАРТОН ПЯТИСЛОЙНЫЙ |
| Штрихкод | 4630293229190 | 4630293229206 | 4630293229213 |
| Вес брутто, кг | 0.631 | 6.312 | 25.246 |
| Вес нетто, кг | 0.524 | 5.24 | 20.96 |
| Объем, м^3 | 0.000897 | 0.00897 | 0.03588 |
| Длина, см | 16.4 | 50.9 | 69.3 |
| Высота, см | 15.2 | 16.1 | 34.3 |
| Ширина, см | 11.2 | 34.1 | 15.1 |
| Способ нанесения информации | На стикер | На стикер | На стикер |