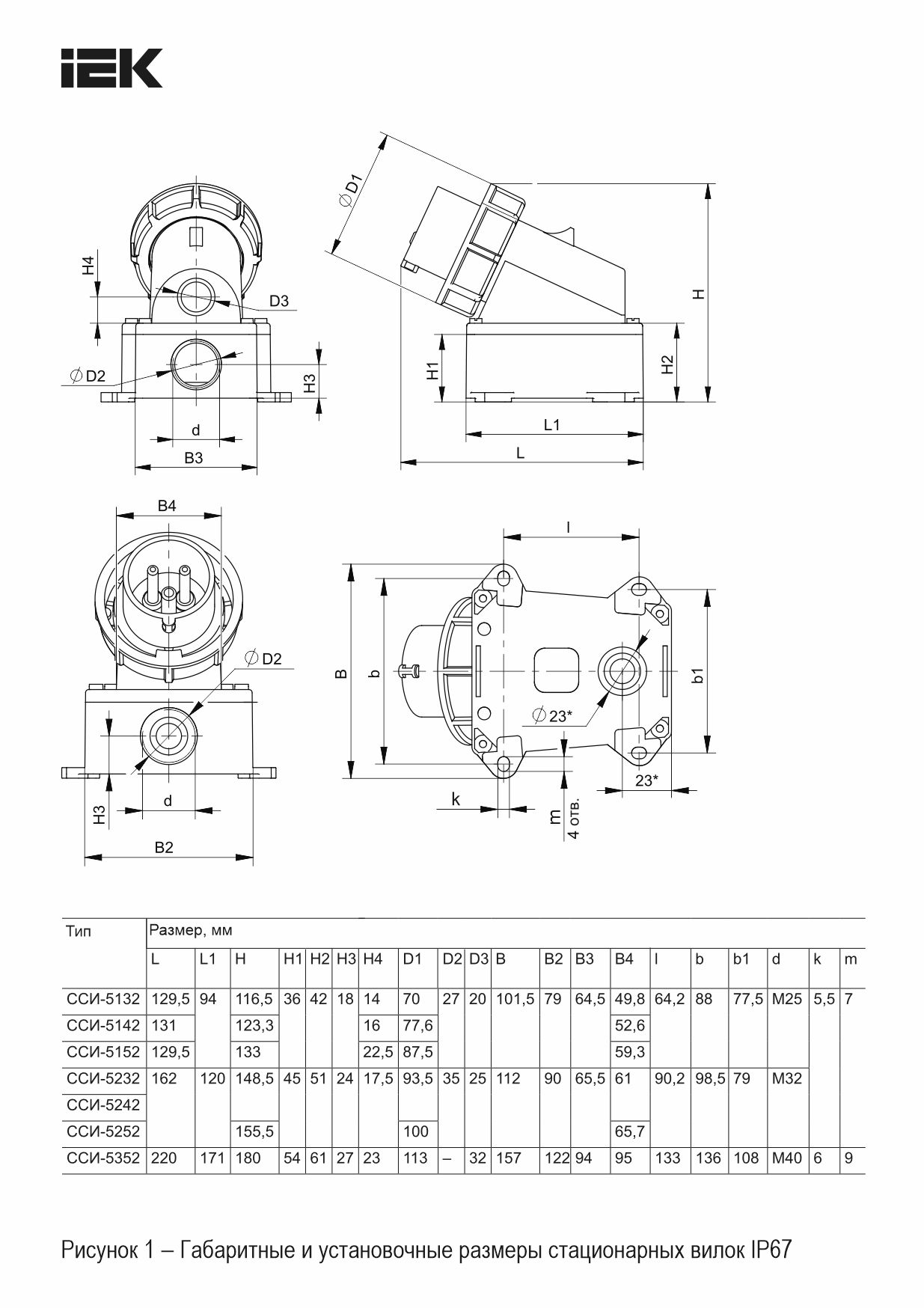
Вилка стационарная ССИ-5132 16А-6ч/220В 2P+PE IP67 IEK

Основные характеристики
| IEC ток, А | 16 |
| Диапазон раб напряжений, В | 200...250 |
| Номин частота, Гц | 50/60 |
| Номин электр прочность изоляции, В | 690 |
| Степень защиты - IP | IP67 |
Описание
Силовые разъемы со степень защиты IP67 применяются при эксплуатации внутри помещений, где есть риск воздействия влаги и пыли, и на открытом воздухе совместно с мобильным электрооборудованием с кабельной системой питания и стационарным электрооборудованием однофазного и трехфазного исполнения. Предназначены для подключения строительного электрооборудования и электроинструмента, электроснабжения временных сооружений и бытовок, станков и другого промышленного оборудования, для электроснабжения спортивных сооружений и объектов культурно массовых мероприятий, гостиницах турбазах и т.д.
Срок службы:
15 лет
Гарантия:
1 год
Преимущества
- Сальник в комплекте сокращает время на поиск комплектующих.
- 3 отверстия для наружного монтажа и 1 отверстие для внутреннего монтажа позволяют осуществлять ввод кабеля с разных сторон.
- Допускается монтаж на открытую и закрытую проводку.
- Степень защиты IP67.
- Сертификация ROHS.

Технические характеристики
| IEC ток, А | 16 |
| Диапазон раб напряжений, В | 200...250 |
| Номин частота, Гц | 50/60 |
| Номин электр прочность изоляции, В | 690 |
| Степень защиты - IP | IP67 |
| Ориентация заземл контакта-по циферблату часов, ч | 6 |
| Количество полюсов | 3 |
| Конструктивное исполнение | Вилка наружного монтажа |
| Тип подключения | Клемма винтовая |
| Макс поперечное сечение проводника, мм² | 2,5 |
| Число контактов | 2P+PE (однофазн. 3-проводника) |
| Фиксирующее устройство | Байонетное кольцо |
| Наличие блокировки | Без блокировки |
| Материал | Пластик |
| Цветовая кодировка | Синий/голубой |
| Температура эксплуатации, °C | -25...40 |
| Напряжение согл EN 60309-2 | 230 В 50-60 ГЦ , синий |
| Фазовый инвертер | Нет |
| Профиль - угол вилки | Наклон./скошен./углов. |
| Исполнение для вооруженных сил | Нет |
Документация
Сертификаты
Сертификат ТР ТС (PDF, 1.05 MB)
Отказное письмо 123-ФЗ (PDF, 24.90 MB)
Отказное письмо 043 (PDF, 12.27 MB)
Отказное письмо ФЗ-123 (PDF, 29.15 MB)
Отказное письмо 123-ФЗ (PDF, 12.57 MB)
Сертификат ТР ТС (PDF, 1.95 MB)
Отказное письмо 043 (PDF, 12.27 MB)
Отказное письмо 123-ФЗ (PDF, 12.57 MB)
Отказное письмо 043 (PDF, 24.55 MB)
Паспорта и РЭ
Дополнительные изображения
Модели для проектировщиков
Логистические параметры
| Индивидуальная | Групповая | Транспортная | |
|---|---|---|---|
| Количество | 1 | 10 | 60 |
| Единицы измерения | шт | шт | шт |
| Тип упаковки | ПАКЕТ ПРЯМОУГОЛЬНЫЙ | КОРОБКА/БОКС | ГОФРОКОРОБ |
| Материал упаковки | ПОЛИЭТИЛЕН (PE) | ГОФРОКАРТОН ТРЕХСЛОЙНЫЙ | ГОФРОКАРТОН ПЯТИСЛОЙНЫЙ |
| Штрихкод | 4610084738292 | 4610084738308 | 4610084738315 |
| Вес брутто, кг | 0.318 | 3.182 | 19.092 |
| Вес нетто, кг | 0.245 | 2.45 | 14.7 |
| Объем, м^3 | 0.002083 | 0.02083 | 0.12498 |
| Длина, см | 8.8 | 46.7 | 57 |
| Высота, см | 12.9 | 14.3 | 45.2 |
| Ширина, см | 11.7 | 27.6 | 48.5 |
| Способ нанесения информации | На стикер | На стикер | На стикер |