ARMAT Автоматический выключатель без теплового расцепителя M10N-MA 3P D 16А IEK

Артикул:
Основные характеристики
| Номинальный ток, А | 16.0 |
| Номинальное рабочее напряжение, В | 400 |
| Характеристика срабатывания - кривая тока | D |
| Отключающая способность, кА | 10 |
| Количество полюсов | 3 |
Описание
Автоматические выключатели без теплового расцепителя ARMAT серии M10N MA предназначены для защиты цепей от короткого замыкания. Основная область применения выключателя - системы аварийной вентиляции и пожаротушения. Модельный ряд включает в себя устройства с характеристиками срабатывания C, D на номинальные токи от 1А до 63А с числом полюсов 1Р, 2Р, 3Р. Номинальная наибольшая отключающая способность автоматических выключателей ARMAT серии M10N MA составляет 10 кА.
Срок службы:
15 лет
Гарантия:
10 лет
Преимущества
- Механизм свободного расцепления с мгновенной коммутацией - уменьшает негативное влияние электрической дуги при включении за счет стабильности скорости замыкания контактов.
- Напайка контакт-детали на неподвижном контакте из композита серебра - увеличивает дугостойкие свойства контактной системы в момент отключения сверхтоков и увеличивает коммутационный ресурс устройства.
- Дугоотводящая омедненная ферромагнитная скоба - формирует траекторию движения дуги в де-ионную решетку, что ускоряет дугогашение и снижает термическое воздействие дуги на коммутирующие контакты.
- Дугогасительная камера с 14 пластинами - увеличивает падение напряжения на электрической дуге в момент отключения токов короткого замыкания, что ускоряет дугогашение.
- Максимальный момент затяжки клемм 5 Нм - конструкция выключателя обеспечивает максимальный момент затяжки винтовых клемм 5 Нм. Это снижает переходное сопротивление в выводе и увеличивает энергоэффективность устройства.
- Керамические дугогасительные экраны - область коммутирующих контактов отделена керамическими защитными экранами. За счет высокой теплоемкости и дугостойкости керамики ускоряется процесс дугогашения, за счет этого увеличивается коммутационный ресурс устройства.
- Увеличенная прочность корпуса - для прочности и надежности конструкции части корпуса соединены 8 заклепками.
- Подключение до 4 дополнительных устройств серии AUX - конструкция устройства позволяет присоединять до 4 дополнительных устройств серии AUX одновременно.
- Индикатор положения контактной группы - облегчает визуальную диагностику положения контактной группы включено/выключено.

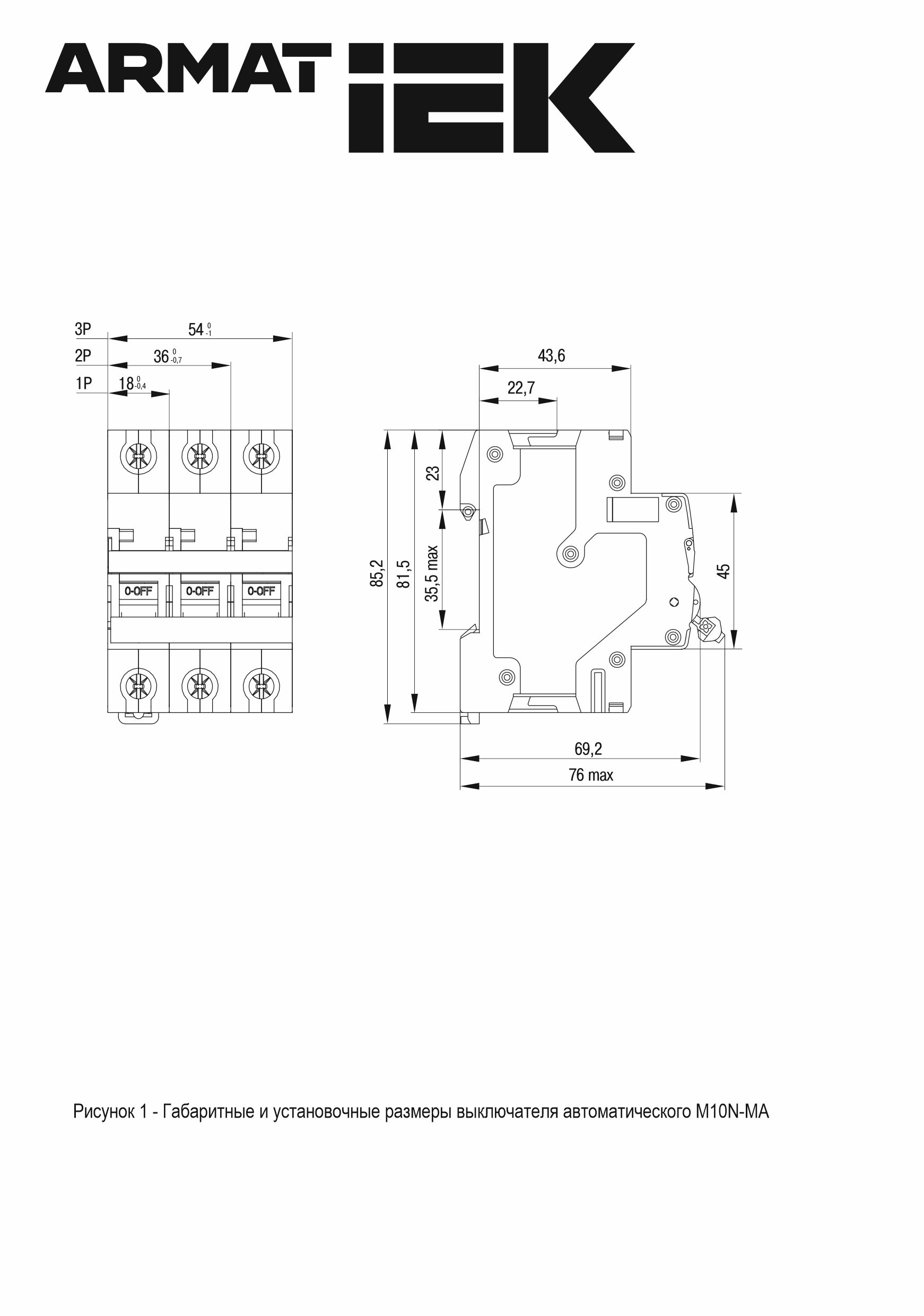
Особенности конструкции
Технические характеристики
| Номинальный ток, А | 16.0 |
| Номинальное рабочее напряжение, В | 400 |
| Характеристика срабатывания - кривая тока | D |
| Отключающая способность, кА | 10 |
| Количество полюсов | 3 |
| Тип напряжения | Переменный (AC) |
| Тип подключения | Винтовое соединение |
| Вес одного полюса, кг | 0,12 |
| Номин напряжение изоляции Ui, В | 500 |
| Электр износостойкость, циклов | 10000 |
| Мех износостойкость, циклов | 20000 |
| Степень защиты - IP | IP20 |
| Номинальное импульсное выдерживаемое напряжение, кВ | 6 |
| Рабочая температура окружающей среды, °C | -40...70 |
| Частота, Гц | 50 |
| Макс сечение входящего кабеля, мм² | 25 |
| Класс защиты от поражения электрическим током | 0 |
| Номин отключающая способность при коротком замыкании EN 60898 при 230 В, кА | 10.0 |
| Возможность присоединения шин | PIN (штырь), FORK (вилка) |
| Режим работы | Продолжительный-S1 |
| Тип расцепителя | Электромагнитный |
| Номин отключающая способность при коротком замыкании EN 60898 при 400 В, кА | 10.0 |
| Наличие взрывозащиты | Без взрывозащиты |
| Частота, Гц | 50 |
| Наличие дифференциального расцепителя | Нет |
| Сечение многожильного гибкого провода, мм² | 1...25 |
| Наличие электромагнитного расцепителя | Да |
| Возможна дополнит комплектация | Да |
| Общ количество полюсов | 3 |
| Наличие теплового расцепителя | Нет |
| Сечение одножильного жёсткого провода, мм² | 1...25 |
| Степень загрязнения | 2 |
| Наличие электронного расцепителя | Нет |
| Ширина по количеству модульных расстояний | 3 |
| Количество защищенных полюсов | 3 |
| Тип монтажа | на DIN-рейку |
| Ремонтопригодность | Нет |
| Номин импульсное выдерживаемое напряжение, кВ | 6 |
Документация
Сертификаты
Паспорта и РЭ
Дополнительные изображения
Модели для проектировщиков
Логистические параметры
| Индивидуальная | Групповая | Транспортная | |
|---|---|---|---|
| Количество | 1 | 4 | 40 |
| Единицы измерения | шт | шт | шт |
| Тип упаковки | БЕЗ УПАКОВКИ | ГОФРОКОРОБ | ГОФРОКОРОБ |
| Материал упаковки | НЕ УКАЗАН | ГОФРОКАРТОН ТРЕХСЛОЙНЫЙ | ГОФРОКАРТОН ПЯТИСЛОЙНЫЙ |
| Штрихкод | 4610084727104 | 4610084727128 | 4610084727142 |
| Вес брутто, кг | 0.366 | 1.465 | 14.649 |
| Вес нетто, кг | 0.351 | 1.404 | 14.04 |
| Объем, м^3 | 0.000587 | 0.002348 | 0.02348 |
| Длина, см | 8.1 | 22.2 | 47.5 |
| Высота, см | 4.7 | 8.6 | 19.7 |
| Ширина, см | 5.2 | 9 | 25.1 |
| Способ нанесения информации | На изделие | На коробку | На стикер |